



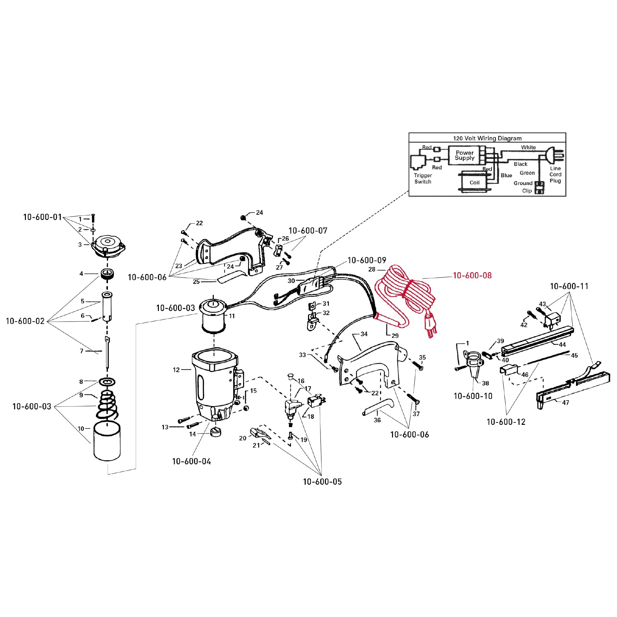
Power Cord Assembly for 10-600 Pro Electric Stapler
Description: Cord Assembly - Includes 14-gauge, 12 ft., 120 volt Power Cord and Connector Jacket
Purpose: Delivers power when connected to electrical outlet and provides a wide range of mobility
Carrier
- Most orders ship via FedEx Ground
Charges
- Many items ship free. For customers in the contiguous United States (AKA "lower 48" and D.C.): All orders of $25 or more ship free. Orders under $25 ship for the flat rate of $6.95. For customers in other U.S. locations, available FedEx and UPS shipping options will be presented during checkout. If there is a shipping cost, it will be displayed during the checkout process before final order submission.
Damages
- Upon discovery of any concealed damages, notify carrier immediately to request an inspection. If carrier refuses to conduct an inspection, advise QEP Customer Service of the date the carrier was notified with documentation to properly support your claim.
Contingencies
QEP assumes no liability for failure or refusal to accept any order, or for failure to fill any accepted order, when such failure is due to causes or contingencies beyond QEP's reasonable control, including but not limited to: acts of nature, compliance with any law, order, rule of regulation of any governmental or other authority, delay in transportation, labor disputes, strikes, failure of equipment or systems, or shortages of any labor or materials or services. QEP is not liable for any loss of profit or property, or for any direct, indirect, special, incidental consequential or other damages caused by any delay or failure to deliver. Prices are subject to change without notice. QEP reserves the right to change product specifications.
Returns must be initiated within 30 days of receipt of goods.
Returns require proof of purchase and an authorization number (RMA) issued by QEP Customer Service.
If the item is defective:
- Free return shipping label issued to customer
- Full refund issued to customer upon receipt of goods
- Goods must be shipped in resealed carton and marked "Defective"
If the item is NOT defective:
- Customer responsible for return shipping
- Refund amount equal to subtotal of returned item(s) less 15% restocking fee
- Refund issued to customer upon receipt of goods in expected condition: 1.) Item is complete, in original packaging, and original condition. 2.) Item is not used, damaged, marked, etc.
Clearance / Closeout sales are final and not returnable.
Return address and any additional instructions will be given by QEP Customer Service at the time of the return authorization. Goods returned without an authorization number issued by QEP Customer Service Goods shipped will be refused and returned to the customer at the customer’s expense.
To initiate a return, contact QEP Customer Service at 866-435-8665 or via our Contact page.

Documents & Specs
Guides & Documents
Brand Description
ROBERTS® is recognized worldwide as the premier brand for flooring installation tools, adhesives and accessories for the professional installer. A pioneer of modern carpet installation tools, ROBERTS has invented, designed and improved many of the most common flooring tools in use today, and continues to introduce innovative products that address the challenges of today’s professionals.
General Info
ROBERTS
Stapler
Dimensions
1.5
11.75
3.5
0.58
11.0
11.0
4.0
1.5











